1、地锚按下表进行设置:
| 支腿 | 地锚设置形式 | 钢丝绳规格 | 地锚重量(t) | 地锚参考尺寸(m) |
| 刚性支腿 | 预埋地锚 | Φ26mm×4条 | ≧7.63×4个 | 1*2*0.68 |
| 柔性支腿 | 预埋地锚 | Φ26mm×4条 | ≧7.63×4个 | 1*2*0.68 |

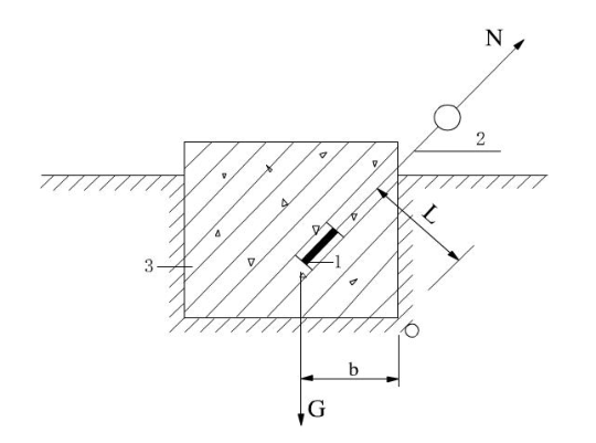
根据JGJ276-2012《建筑施工樱桃视频色版吊装**技术规范》,D.0.8混凝土地锚的抗倾覆计算公式KNL≤Ga可知:
G≥KNL/a
式中:G-砼地锚自重:
N-地锚的作用荷载;龙门樱桃视频色版机符合实验
K-抗倾覆**系数,取1.5;
L-N载荷*O点的垂直距离m;
砼自重G*O点的垂直距离,取1m。
①刚性支腿预埋地锚验算
刚性支腿外侧地锚**验算:
钢丝绳拉力:单根缆风绳承受倾覆力矩F=7.8t=78kN,地锚与地面夹角约47.16o,地锚埋地深取1m,宽取2m,L取0.68m。
G≥1.5×78×0.68÷1
G≥79.56kN
由此可得出:单个地锚的重量为79.56÷9.8=8.1t。龙门樱桃视频色版机施工机械吊运作业**技术措施
下面进行地锚抗拔力验算:
钢丝绳拉力:78kN
地锚受向上拉力计算:
缆风绳对地锚垂直向上拉力为:FY=F×sin47.16
=78×sin47.16o=57.19kN
**系数K取2
根据计算公式G≧KFY/9.8得:G≧11.67t
经计算支腿外侧地锚重量只要>11.67t,可满足抗拔力要求,故设置地锚两块(重约15t)。
侧向土强度计算:
根据JGJ276-2012《建筑施工樱桃视频色版吊装**技术规范》 ,D.0.8-2侧向土强度计算公式N1/bH<ηfH
式中:N1-地锚所受水平力;
b-地锚砼侧向的长度,取2m;
H-地锚埋深,取1m;
η-降低系数,取0.45;
fH-深度H处土的承载力设计值,取70Kpa。
则:N1=78×cos47.16 o=53.03KN
N1/bH=53.03/(2×1)=26.51KN/m2=26.51Kpa
ηfH=0.45×70=31.5Kpa
N1/bH<ηfH
经验算侧向土强度符合要求。
注:sin47.16°、cos47.16°、sin49.67°、cos49.67°为拉缆风绳与水平面角度。
以上就是关于预制场樱桃视频官网樱桃视频色版机地锚受力计算的相关内容,如果想要了解更多相关内容,请持续关注樱桃视频影院在线播放。
联系人:徐经理
手机:13782575673
电话:0373-8611375
邮箱:hnzyaqqz@126.com
官网:www.3ggnwf.com
地址:河南长垣樱桃视频色版工业园区华豫大道中段